Not every smoke detector is a cigarette smoke detector

"Not every smoke detector is a cigarette smoke detector, but every cigarette smoke detector is a smoke detector" eüra

An optical cigarette smoke detector is a special type of fire detector that is sensitive to cigarette smoke.

The cigarette smoke detector is installed in places where smoking is prohibited, such as daily rental apartments, office premises, stairwells of administrative buildings...

Installation locations - on the ceiling or as high as possible on the wall.

It should be remembered that the radius of free space around the sensor must be at least 20 cm.

Kommentit

Email again:

Edellinen

The child cannot remember the 8-digit PIN code. What to do?

Seuraava

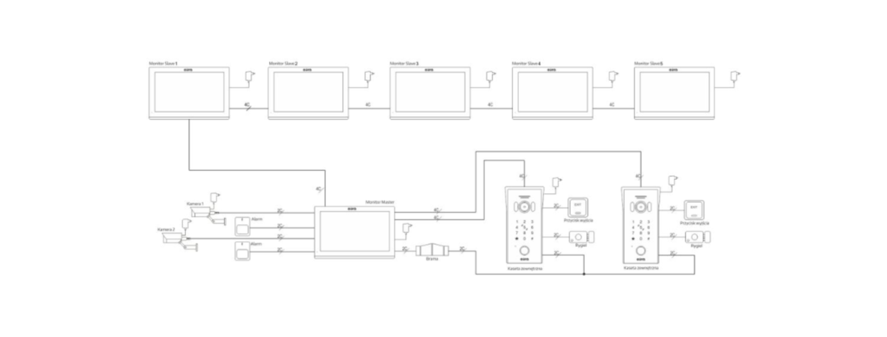
eüra video intercoms for businesses

Jaa tämä artikkeli